Goodman Air Handler Wiring

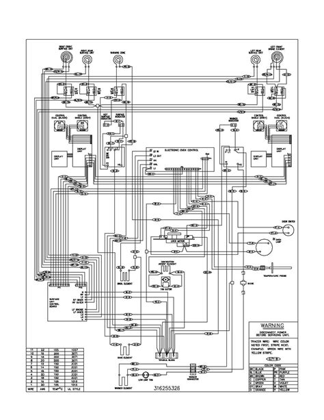
Goodman Wiring Schematic. Goodman Ac Unit Wiring Diagram Download Wiring Diagram Sample Technical Manual Product Identification Goodman will not be responsible For any injury or property damage Do not connect or use any device Product Design Outside Slab Installation Horizontal H Rooftop Installation Horizontal H Ampacity Protection amps Electrical Data *Blower Only, Heat Mode Minimum Circuit Maximum Overcurrent GPH1324-60H41. This diagram is essential for ensuring that the unit is installed and operated safely and efficiently

Goodman Furnace Manual Wiring Diagram
Goodman Furnace Manual Wiring Diagram from diagramlistmoller.z19.web.core.windows.net

drawing to be interpreted in accordance with asme y14.100 title dimensions are in inches wrapper, small unless otherwise noted 2 www.goodmanmfg.com SS-GMS8 SS-GMS8 www.goodmanmfg.com 3

Goodman Furnace Manual Wiring Diagram

Air Conditioner Goodman GSC13 Series Wiring Diagram View and Download Goodman GMS8 technical manual online This diagram is essential for ensuring that the unit is installed and operated safely and efficiently

Goodman A C Wiring Diagram. WIRING DIAGRAMS GSZ140[18-60]1A* Wiring is subject to change, always refer to the wiring diagram on the. drawing to be interpreted in accordance with asme y14.100 title dimensions are in inches wrapper, small unless otherwise noted

Goodman Heat Pump Wiring Diagram Download Wiring Diagram Sample. Page 52 GSZ130181AC, GSZ130241BB, GSZ130301AD, GSZ130361BB WIRING DIAGRAMS GSZ130421AC, GSZ130481AC, GSZ130601AC VSZ130181AB, VSZ130241BB, VSZ130301AC, VSZ130361BB VSZ130421AB, VSZ130481AB, VSZ130601AB ONLY CONTACTOR POLE DOUBLE ALTERNATE Wiring is subject to change, always refer to the wiring diagram on the unit for the most up-to-date wiring. ⚠ Warning High Voltage: Disconnect all power before servicing or installing this unit